欢迎咨询 售后服务热线:400 6189 083
关注昊志机电官方微信

PRODUCT

产品中心

免费咨询

产品系列:直结式机械主轴系列

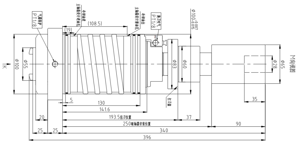
型号:DGZZ-10024

本产品为高速机械直结式主轴,主轴连接刀柄形式为BT30,最高转速为24000rpm,

本产品采用了创新专利性的结构,有效控制主轴温升,可不配备油冷机直接使用。经过仿真分析及优化的前端迷宫气封结构,设计有均匀分布的微小气孔,可有效防止切削液、加工碎屑进入。同时创新性的动压效应密封也使得主轴的防水性能获得革命性提升。

这款主轴具备优越的精度与动、静刚度,低振动、低噪音,大幅提升了主轴的稳定性、可靠性和使用寿命。


性能特点

1、高精度:轴芯锥孔偏摆≤0.002mm/s,标准棒300mm处跳动≤0.008,动平衡等级G0.4,具有无与伦比的高精密度的特性。

2、高配置:采用国际知名品牌轴承及高规格标准件,确保主轴性能的长期稳定、可靠。 主轴通过联轴器与驱动电机心对心联接,实现同步传动。

3、低噪音:相同运转条件下,最高转速时噪音相比国标直结式联轴器分贝值低5分贝左右。为终端用户提供更好的加工性能和健康的工作环境。

4、刀柄具有多样性:采用BT、BBT、HSK等刀柄接口形式满足客户不同应用需求。

5、高稳定性:独特、稳定、超长寿命(≥500万次)的松拉刀机构设计,确保易损件长寿命。

6、独特设计:独特性的气幕密封+迷宫密封设计使主轴的密封效果有革命性的提升,有效的防止切削液和异物入侵,使主轴在比较恶劣的工作条件下仍可正常使用,减少密封问题引起的机台故障,为客户提高效率。

7、主轴前端设有刀具冷却环喷系统。环喷可根据加工零件或刀具冷却需求不同时,任意调整冷却喷嘴的角度,环喷有在主轴鼻端端面,更接近需求冷却位置,冷却、排屑效果更佳。

8、搭配驱动电机,低速时提供大扭矩,高速时提供大功率。


1主轴转速(rpm)
24000
2刀柄规格
BT30
3轴承规格
4×7008
4润滑形式
油脂润滑
5预紧方式
定位预紧
6允许温升(℃)
≤18
7拉爪形式
四瓣拉爪
8拉刀力(N)
2500-3000
9平衡等级
G0.4
10装配方向
立式装配
11装配直径(mm)
Φ100(-0.007 /-0.015)
12
主轴净重(kg)
≈14.5
13主轴鼻端端面跳动(μm)
≤3.0
14主轴BT30锥孔径向跳动(μm)
≤2.0
15主轴联轴器径向跳动(μm)
≤8.0
16
空刀状态打刀盘端面到机体法兰端面距离(mm)
195.5±0.2
17顶刀量(mm)
0.4-0.6
18BT30标准棒25mm处径向跳动(μm)
≤2.0
19BT30标准棒300mm处径向跳动(μm)
≤8.0
20轴向刚度(N/μm)
≥60
21径向刚度(N/μm)
≥75



返回列表

在线订购

在线订购

请留下您的产品需求详情,以便我们及时、准确的回复您!

*称    呼

*手    机

*地    域

*公    司

需求详情

提交

免费咨询

请留下您的产品需求详情,以便我们及时、准确的回复您!

*称    呼

*手    机

*地    域

*公    司

需求详情

提交