欢迎咨询 售后服务热线:400 6189 083
关注昊志机电官方微信

PRODUCT

产品中心

免费咨询

产品系列:谐波减速器

型号:DCD-R系列

 本产品是一款短筒杯型减速器,包括14、17、20、25、32规格,所覆盖的减速比为50、80、100、120,输入端为刚性连接,最小额定扭矩为3.7N.m ,最大额定扭矩为96N.m。传动误差≤50″。50减速比传动误差≤75″,其他减速比传动误差≤50″。主要应用于轻载荷六关节机器人、冲压机械手等。


震撼的传动精度:单级传动比范围i=30-160,传动精度高达25角秒,重复定位精度高达5角秒。

超长寿命:昊志机电谐波减速器寿命为L10:10000小时以上,L50:50000小时以上。

齿形设计:独创的SP齿形设计,啮合数达30%以上,有效提升刚性与传动精度,刚性超出行业最高标准10%,传动精度超出行业最高标准20%。

专用润滑脂:自主开发专用润滑脂,具备噪声低、耐久性强等优点,以及润滑脂中独有的纳米级别的特殊成分,可最大限度的降低阻力抑制温升与磨损。

体积小、重量轻:零件减少50%,体积和重量减少1/3。其中,短筒型谐波减速器体积与重量各减少1/2。


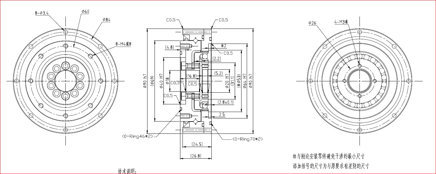
 以DCD-20-50-U-R20谐波减速器为例,其技术参数及外形尺寸如下所示:

技术参数:

 

        外部图号性能参数

DCD-20-50-U-R20

谐波减速器

   输入2000r/min时的额定输出转矩(Nm

17

启动/停止时的容许最大转矩(Nm

39

平均负载转矩的容许最大值(Nm

24

瞬间容许最大转矩(Nm

69

容许最高输入转速(r/min

6500

容许平均输入转速(r/min

3500

传动精度(arcsec

50

滞后损失(10-4radarc min))

2.91.5

最大齿隙量(10-5radarc sec))

4.41.5

刚性(弹簧常数)

 

T1 (Nm)

7.0

T2 (Nm)

25

K1 (x104Nm/rad)

1.43

K2 (x104Nm/rad)

1.98

K3 (x104Nm/rad)

7.0


0007.jpg


                                                                                                    



返回列表

在线订购

在线订购

请留下您的产品需求详情,以便我们及时、准确的回复您!

*称    呼

*手    机

*地    域

*公    司

需求详情

提交

免费咨询

请留下您的产品需求详情,以便我们及时、准确的回复您!

*称    呼

*手    机

*地    域

*公    司

需求详情

提交