欢迎咨询 售后服务热线:400 6189 083
关注昊志机电官方微信

PRODUCT

产品中心

免费咨询

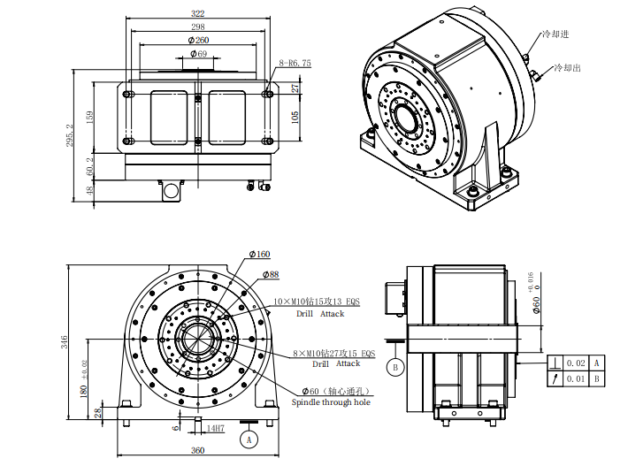
产品系列: 四轴转台

型号:DZDH-255-200-180-300-A26-A

主要应用于数控机床上,作为机床第四轴,可分别以垂直或水平两种方式安装于机床工作台上。

  • 高精度:采用力矩电机直接驱动,大扭矩力矩电机配以高精度的雷尼绍/尼康(可选)等编码器,无传动装置,可进行五轴联动,实现高精度分割,分度精度可达到±10",重复精度±2"。

  • 转速高、响应快:相对于传统蜗轮蜗杆转台,本转台因采用力矩电机直驱,具有噪音低、无背隙、结构紧凑等特点,最高转速可达250rpm,同时,该产品可做到0.5秒快速起停,响应快。

  • 密封性:周边采用环形密封圈密封,全机采用IP65的防护等级,使转台滴水不进。
    车铣两用、五轴联动、效率高:配合主轴可实现高效的车铣复合加工,铣削时可进行精确分度,车削时可实现高速大扭矩旋转,A\C轴联动还可实现连续曲面加工,大幅度提高了加工效率。

  • 强力刹车机构:采用气缸活塞式刹车方式配以刹车增力机构,使转台在相同气压下,刹车锁紧力矩增大到1.5倍,可以承受大扭矩切削。

  • 个性化定制:兼具良好的兼容性,可以根据客户使用要求和精度要求,为客户专业定制。


image.png

image.png

返回列表

在线订购

在线订购

请留下您的产品需求详情,以便我们及时、准确的回复您!

*称    呼

*手    机

*地    域

*公    司

需求详情

提交

免费咨询

请留下您的产品需求详情,以便我们及时、准确的回复您!

*称    呼

*手    机

*地    域

*公    司

需求详情

提交