欢迎咨询 售后服务热线:400 6189 083
关注昊志机电官方微信

PRODUCT

产品中心

免费咨询

产品系列: 五轴转台

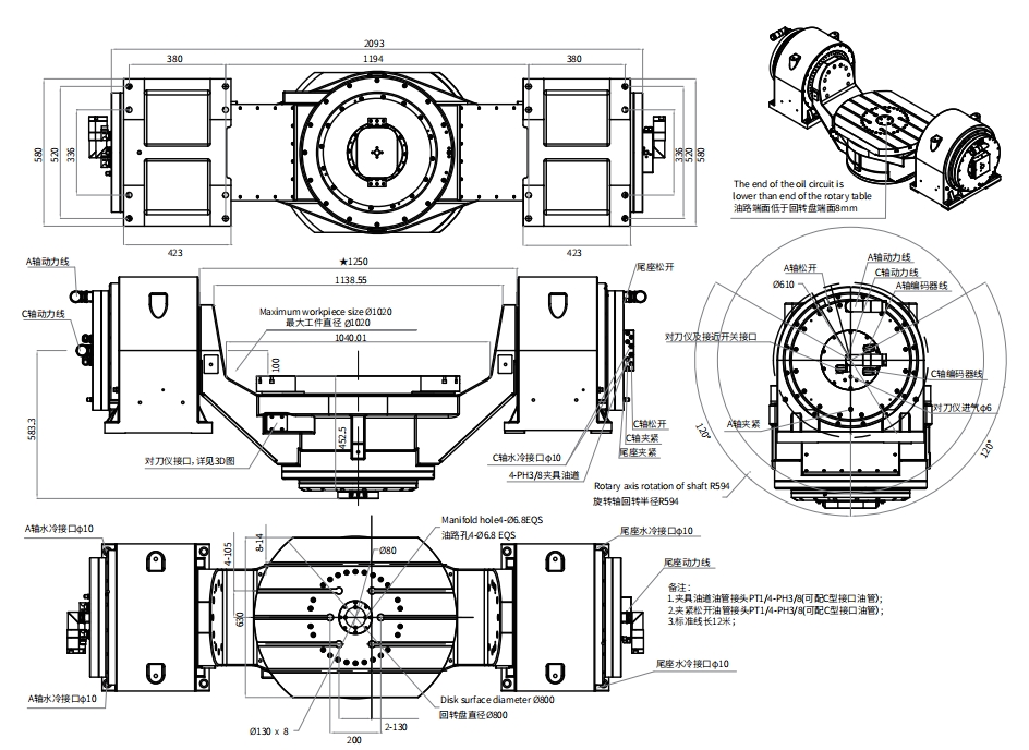
型号:DZDC-800-100/100-4500/2250-A26W-H/H1

本产品为力矩电机摇篮五轴转台,主要应用于数控机床上,作为机床第四轴,可分别以垂直或水平两种方式安装于机床工作台上。

1.采用大扭矩直驱电机,AC轴额定扭矩达4500N.m/2250N.m;
2.液压夹紧机构,夹紧扭矩分别为8400N.m/4200N.m,具有自锁及反应速度快等特点;
3.采用高精度编码器,定位精度可达±5角秒及重复定位精度可达±1.5角秒;
4.DD五轴转台电机直接驱动,无传动机构,无齿隙、无磨损、无需定期维护,显著降低维护成本!

image.png

800.png

返回列表

在线订购

在线订购

请留下您的产品需求详情,以便我们及时、准确的回复您!

*称    呼

*手    机

*地    域

*公    司

需求详情

提交

免费咨询

请留下您的产品需求详情,以便我们及时、准确的回复您!

*称    呼

*手    机

*地    域

*公    司

需求详情

提交