欢迎咨询 售后服务热线:400 6189 083
关注昊志机电官方微信

PRODUCT

产品中心

免费咨询

产品系列:超声波主轴

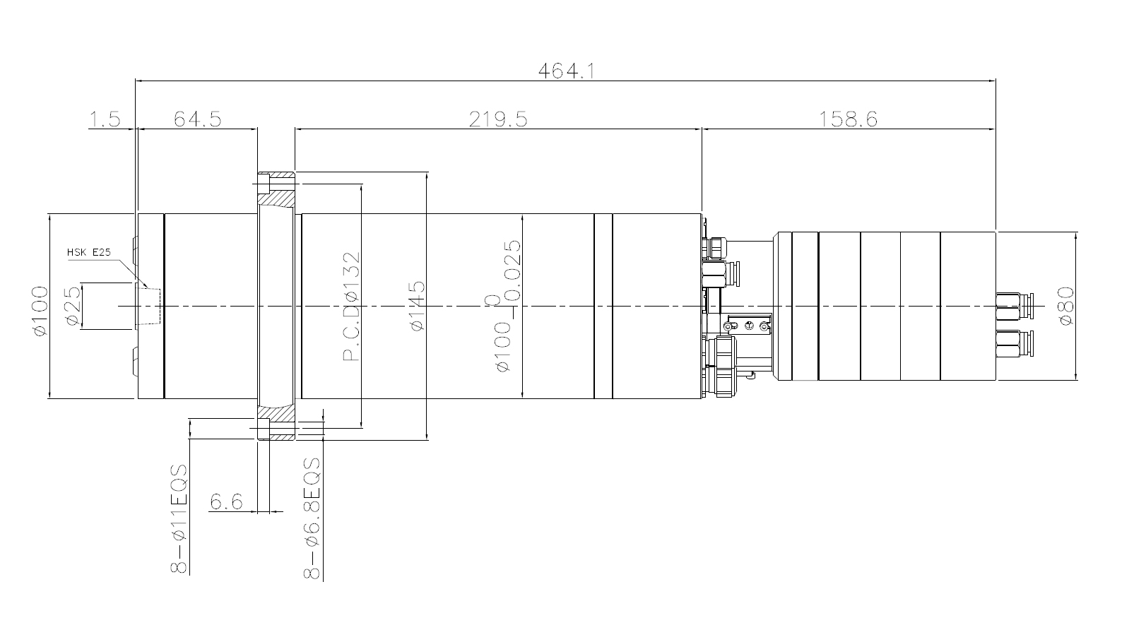
型号:DGZX-10024/3.5UA5-KFPWVJLS

本产品用于加工硬脆性材料或新型材料,如蓝宝石玻璃、陶瓷、半导体、石英等。

1、超声波振动磨削加工是利用超声振动、砂轮(或道具)旋转以及空化效应的一种复合加工方法,刀具不粘黏残屑,提高刀具的切削能力,提高加工表面质量。 
2、采用液压或气压自动换刀方式,使用HSK-E25刀柄。
3、转速高达24000rpm,大幅提升加工效率。
4、三相交流异步电机驱动。

型号DGZX-10024/3.5UA5-KFPWVJLS
电机类型电机类型异步
最高转速[rpm]24000
额定功率[kW]S1-100%3.5
S6-40%4.2
额定扭矩[Nm]S1-100%1.4
S6-40%1.68
额定转速[rpm]24000
额定输入电压[V]380
轴承润滑方式油脂
刀柄规格HSK-E25
松刀形式气缸
冷却形式内部水冷
中心冷却
编码器弦波1Vss
超声波振动频率[kHz]16~25
超声波功率[W]300W
超声波振幅[um]4~12



返回列表

在线订购

在线订购

请留下您的产品需求详情,以便我们及时、准确的回复您!

*称    呼

*手    机

*地    域

*公    司

需求详情

提交

免费咨询

请留下您的产品需求详情,以便我们及时、准确的回复您!

*称    呼

*手    机

*地    域

*公    司

需求详情

提交