欢迎咨询 售后服务热线:400 6189 083
关注昊志机电官方微信

PRODUCT

产品中心

免费咨询

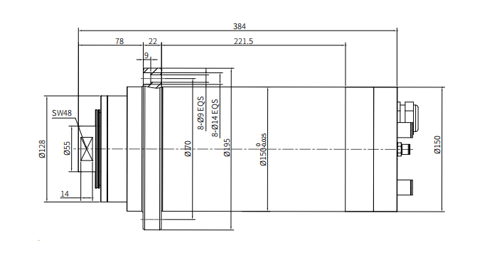
产品系列:内圆磨系列

型号:DGZM-15024/22-DFWS

本产品为滚珠类高速磨床主轴,主要用于油泵、油嘴等汽车零部件高精密产品磨削加工,最高转速达24000rpm。

本产品采用循环水冷+中心水冷的冷却方式,冷却水强制带走轴承及加工所产生的热量,有效抑制主轴温升,减小主轴热变形,提供更好的加工精度与表面粗糙度。中心水冷方式采用世界领先的非接触式密封方式,在保证主轴密封性能的前提下,极大地提高了密封寿命。

高精度:磨削主轴的轴端内孔全跳动≤1μm,主轴振动≤0.6mm/s, 具有无与伦比的高精度特性;

高转速:超高转速和动刚性,为磨床高速高精加工提供强大支持;

高配置:磨削主轴配备温度、震动传感器(可选),采用国际知名品牌轴承。

拓展性好,兼容性强:磨削主轴具有良好的兼容性,并已成功应用于多家国际知名品牌的磨床上;

个性化定制:磨削主轴可广泛运用千各类金属、非金属磨削加工的磨床,还可根据客户特殊需求进行定制。


image.png

image.png

返回列表

在线订购

在线订购

请留下您的产品需求详情,以便我们及时、准确的回复您!

*称    呼

*手    机

*地    域

*公    司

需求详情

提交

免费咨询

请留下您的产品需求详情,以便我们及时、准确的回复您!

*称    呼

*手    机

*地    域

*公    司

需求详情

提交