欢迎咨询 售后服务热线:400 6189 083
关注昊志机电官方微信

PRODUCT

产品中心

免费咨询

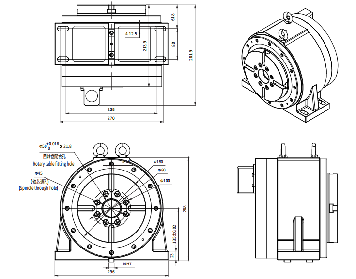
产品系列: 四轴转台

型号:DZGD-180A13

主要应用于加工中心机床,作为机床第四轴,实现一次装夹多面加工,减少装夹次数,大幅提高产品精度及加工效率。


  • 高效率:最高转速250rpm,区别于蜗轮蜗杆类外驱转台25-44rpm,可实现高速高效加工。独创大力矩电机,无需冷却,性能稳定可靠,最高转速250rpm,可实现高速高效加工,

  • 高夹紧力:转台使用创新设计夹紧结构,比传统碟刹体积更小,夹紧刚性更大,响应速度更快。创新的夹紧机构,刹车可靠稳定,反应速度提高10倍,夹紧刚性提高3倍。

  • 高稳定性:充分的结构仿真优化,全方位的试验测试,并经过4000台以上的DD转台客户端使用验证,从而确保整机稳定性。

  • 免维修:传动零磨损,免除传统蜗轮蜗杆定期维护的困扰,降低维护成本,提高客户体验。


image.png

image.png

返回列表

在线订购

在线订购

请留下您的产品需求详情,以便我们及时、准确的回复您!

*称    呼

*手    机

*地    域

*公    司

需求详情

提交

免费咨询

请留下您的产品需求详情,以便我们及时、准确的回复您!

*称    呼

*手    机

*地    域

*公    司

需求详情

提交