欢迎咨询 售后服务热线:400 6189 083
关注昊志机电官方微信

PRODUCT

产品中心

免费咨询

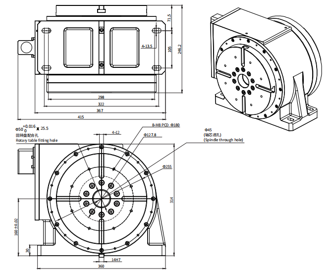
产品系列: 四轴转台

型号:DZDH-255-200-160-253-A26-A

主要应用于加工中心机床,作为机床第四轴,实现一次装夹多面加工,减少装夹次数,大幅提高产品精度及加工效率;中空孔的结构设计方便匹配各种型号的夹具治具,适应不同零件的加工方式。配合尾座及桥板使用,可进行大尺寸零件的加工。


  • 高效率:最高转速200rpm,区别于蜗轮蜗杆类外驱转台,可实现高速高效加工。

  • 超大扭矩:独创研发大扭矩电机,采用创新设计,扭矩比普通电机提升27%;保证大扭矩高效加工。独创的大扭矩电机,扭矩比普通,电机提升27%,可达748N.m。

  • 超高精度:转台使用超高精度绝对式编码器,定位精度±3″,重复定位精度±1″。

  • 高夹紧力:创新设计夹紧结构,比传统碟刹体积更小,反应速度提高1 0倍,夹紧刚性提高3倍。

  • 高稳定性:充分的结构仿真优化,全方位的试验测试,并经过4000台以上的DD转台客户端使用验证, 从而确保整机稳定性。

  • 免维修:传动零磨损,免除传统蜗轮蜗杆定期维护的困扰,降低维护成本,提高客户体验。


关键项目单位数值
盘面直径mmφ255
中心高度mm160
盘面轴向跳动mm≤0.005
盘面径向跳动mm≤0.01
刹车扭矩N.m500
驱动方式/力矩电机直驱
最高转速rpm200
驱动器输入电压V220
额定功率S1kW5.3
额定电流S1A17.5
额定扭矩S1N.m253
峰值扭矩N.m760
最高频率Hz50
定位精度≤±3
重复精度≤±1
承载能力kg卧式120/ 使用尾座240
整机重量kg102.5


image.png

返回列表

在线订购

在线订购

请留下您的产品需求详情,以便我们及时、准确的回复您!

*称    呼

*手    机

*地    域

*公    司

需求详情

提交

免费咨询

请留下您的产品需求详情,以便我们及时、准确的回复您!

*称    呼

*手    机

*地    域

*公    司

需求详情

提交