欢迎咨询 售后服务热线:400 6189 083
关注昊志机电官方微信

PRODUCT

产品中心

免费咨询

产品系列:自动化夹具系列

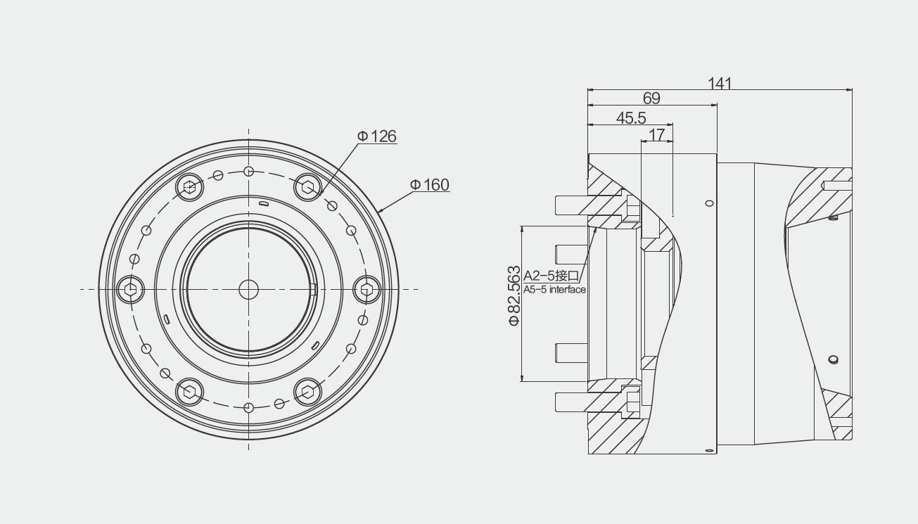
型号:DKPN01-4/65-A2/5 内拉卡盘

本产品属于自动化夹具,主要应于数控车床,具有高转速、高精度、装夹牢靠等特点,配合模块化反涨单元和弹性夹头使用,可

实现夹持工件外圆和撑内孔快速切换,极大提高生产效率。


高转速: 工作转速最大可达5800rpm,提高工件表面质量;

高精度: 夹持外圆和撑内孔时同轴度均小于0.01mm;

装夹牢靠: 采用一夹一靠的夹紧方式,最小夹持长度可达5mm;

高效率: 配合模块化反涨单元和弹性夹头使用,实现工件夹持外圆和支撑内孔快速切换;

长寿命: 有相对滑动的零件采用碳氮共渗和表面淬火处理,精度保持性好,寿命长。


产品型号Product   model DKPN01-4/65-A2/5
同轴度 [ m m ]Coaxiality [ mm ]≤0.01
油缸允许最大拉力 [ K   N ]Cylinder maximum   permissible tension [ KN ]40
最大夹紧力 [ K N ]Maximum clamping   force [ KN ]100
极限转速 [ r p m   ]Limit speed [ rpm ]5800
夹头夹持外径范围 [ m   m ]Clamping outer   diameter range of collet chuck [ mm ]4-65


内拉卡盘.png

返回列表

在线订购

在线订购

请留下您的产品需求详情,以便我们及时、准确的回复您!

*称    呼

*手    机

*地    域

*公    司

需求详情

提交

免费咨询

请留下您的产品需求详情,以便我们及时、准确的回复您!

*称    呼

*手    机

*地    域

*公    司

需求详情

提交